Carbon Steel Sealing Clinching 너트는 얇은 판 또는 시트 금속을 연결하는 데 사용되는 패스너 유형입니다. 그것들은 탄소강으로 만들어지고, 강화되고, 경도를 높이기 위해 냉담하고, 표면은 아연 도금되거나 다른 방식으로 부식에 강해집니다.
밀봉 클리닝 너트는 매우 간단하며 표준 공압 또는 유압 클리닝 도구를 사용할 수 있습니다. 작동 방식은 다음과 같습니다. 먼저 너트를 사전 펀치 구멍에 넣은 다음 펀치와 다이 세트를 사용하여 압력 을가하십시오. 다이는 너트의 클린치 칼라 주위에 판금을 눌러 한 번의 빠른 단계에서 견고한 기계식 잠금 장치를 형성합니다.
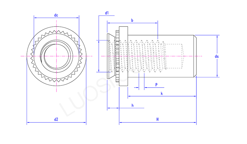
| 몬 | M3-1 | M3-2 | M4-1 | M4-2 | M5-1 | M5-2 | M6-1 | M6-2 |
| P | 0.5 | 0.5 | 0.7 | 0.7 | 0.8 | 0.8 | 1 | 1 |
| DS Max | 3.84 | 3.84 | 5.2 | 5.2 | 6.35 | 6.35 | 8.75 | 8.75 |
| DC Max | 4.2 | 4.2 | 5.38 | 5.38 | 6.33 | 6.33 | 8.73 | 8.73 |
| B 분 | 5.3 | 5.3 | 7.1 | 7.1 | 7.1 | 7.1 | 7.8 | 7.8 |
| H Max | 0.91 | 1.38 | 0.97 | 1.38 | 0.97 | 1.38 | 1.38 | 1.38 |
| H Max | 9.85 | 9.85 | 11.45 | 11.45 | 11.45 | 11.45 | 14.55 | 14.55 |
| H 분 | 9.35 | 9.35 | 10.95 | 10.95 | 10.95 | 10.95 | 14.05 | 14.05 |
| K Max | 8.5 | 8.5 | 9.8 | 9.8 | 9.8 | 9.8 | 12.7 | 12.7 |
| D2 Max | 6.6 | 6.6 | 8.2 | 8.2 | 9 | 9 | 11.35 | 11.35 |
| D2 분 | 6.1 | 6.1 | 7.7 | 7.7 | 8.5 | 8.5 | 10.85 | 10.85 |
| D1 | M3 | M3 | M4 | M4 | M5 | M5 | M6 | M6 |
카본 스틸 밀봉 클린치 너트는 스레드 크기 (M4, M5, M6 또는 1/4 "-20), 클린치 칼라 직경, 총 높이, 밀봉 와셔 치수 및 (최소 및 최대) 시트 두께 범위 (표준 메트릭 또는 제국 스레드에서 얻을 수 있습니다.
그들의 클린치 강도 (그들이 밀어 내거나 뒤틀리는 것에 저항하는 방법)는 업계 표준 (ISO, DIN, IFI 생각)에 대해 테스트됩니다. 올바른 크기를 선택하는 것은 큰 문제이며, 씰이 유지되고 너트가 작업을 위해 충분히 강해 지도록합니다.
Carbon Steel Sealing Clinching Nut를 설치하려면 Nut의 크기와 정확히 일치하는 특수 클리닝 도구와 다이 세트가 필요합니다. 먼저, 너트를 판금의 사전 펀치 구멍에 넣으십시오. 그런 다음이 공구는 제어 압력을 적용하여 너트의 파일럿과 Knurl이 주변 금속으로 가라 앉게 만듭니다. 이 콜드 형성 공정은 스테인레스 스틸 너트를 제자리에 고정시킵니다. 동시에 내장 밀봉 와셔를 패널에 뿌립니다. 이것이 바로이 너트를 독특하게 만드는 누출 방지 씰을 만드는 방법입니다.
