플라스틱 확장 리벳 클립의 자연스러운 특징으로 인해 특별하고 특정한 용도에 적합합니다. 전기를 전도하지 않기 때문에 전기함이나 고전압 구역에서는 정말 중요합니다. 폭발이 발생할 수 있는 장소(ATEX 구역)에 실제로 필요한 스파크를 일으키지 않습니다.
또한 MRI 실과 민감한 전자 장치, 금속 핀의 작은 자기장도 허용되지 않는 장소에서는 이 장치 없이는 할 수 없습니다.

좋은 플라스틱 확장 리벳 클립은 엄격한 테스트를 거쳐 일관되게 작동하는지 확인합니다. 이 테스트에서는 크기 정확도, 당기는 힘, 히트 처리 능력, 다양한 화학 물질과의 작동 여부 등을 확인합니다.
Xiaoguo®의 플라스틱 코터 핀은 지정된 요구 사항을 충족하는 재료를 사용하여 산업 표준에 따라 제조되어 성능을 보장합니다. 이는 의도된 목적에 따라 물체를 제자리에 안전하고 안전하게 고정합니다. 금속 코터 핀에 비해 플라스틱 코터 핀은 내식성과 녹에 더 강합니다.

월
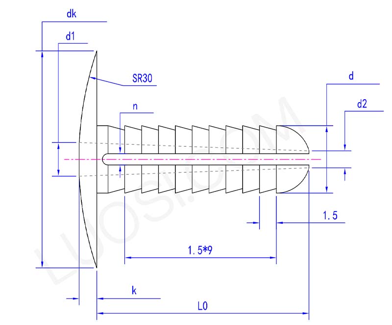
Φ6
Φ8
Φ10
최대 d
6
8
10
일 분
5.8
7.8
9.8
최대 dk
16.2
16.2
18.2
최소 dk
15.8
15.8
17.8
k 최대
1.6
1.6
2.1
k 분
1.4
1.4
1.9
L0
20
20
22
d1
3
4
5
d2
1.5
2
3
n
1
1
1.5
당사의 표준 플라스틱 확장 리벳 클립은 RoHS 및 REACH를 포함한 주요 국제 규정을 준수하는 재료로 만들어졌습니다. 우리는 또한 식품 접촉 응용 분야를 위한 FDA 인증 버전도 제공합니다. 요청 시 규정 준수 인증서를 제공해 드립니다.
당사의 재료는 생산 과정에서 글로벌 표준에 따라 신중하게 선택되어 관련 품질 표준을 준수하고 전 세계적으로 안전한 수출과 광범위한 사용을 보장합니다.