> 제품 > 볼트 > t-bolt > 구멍이있는 생크 t 볼트 감소
        구멍이있는 생크 t 볼트 감소
        • 구멍이있는 생크 t 볼트 감소구멍이있는 생크 t 볼트 감소
        • 구멍이있는 생크 t 볼트 감소구멍이있는 생크 t 볼트 감소
        • 구멍이있는 생크 t 볼트 감소구멍이있는 생크 t 볼트 감소

        구멍이있는 생크 t 볼트 감소

        구멍이있는 생크 T 볼트 감소는 더 가볍고 작동하기 쉽습니다. 전선, 체인 또는 기타 구성 요소를 연결할 수있는 유연성을 제공합니다. Xiaoguo® Factory의 볼트는 CNS 4566-1981의 실행 표준을 준수합니다. 당사의 제품은 소금 스프레이 테스트를 거쳤으며 귀하의 요구를 충족시킬 수 있습니다.
        모델:CNS 4566-1981

        문의 보내기

        제품 설명

        구멍이있는 감소 된 생크 T 볼트의 헤드는 마름모와 비슷하며 T- 슬롯에 고정되어 회전하지 않도록 갇힐 수 있습니다. 나사의 중간 부분이 더 얇아졌습니다. 내부는 속이 빈다.

        특징:

        감소 된 Shank T-Bolt는 태양 광 발전소 추적기에 설치됩니다. 매일 태양 전지판 배열을 조정 해야하는 경우 모든 종류의 날씨를 견딜 수 있으므로 사용할 수 있습니다. 가느 다란 기둥 몸체는 바람 전단에 저항 할 수 있습니다. 구멍은 코터 핀에 의해 각도로 잠겨 있습니다. 사막의 모래 폭풍에서 볼트가 느슨해지지 않도록 할 수 있습니다.

        구멍이있는 감소 된 Shank T-Bolt는 콘서트 스피커 장치에 설치됩니다. 콘서트에는 일반적으로 무거운 서브 우퍼가 교수형이 필요하며이를 사용하면 안전을 향상시킬 수 있습니다. 가벼운 볼트 핸들을 사용하면 호이 스팅이 쉬워집니다. 볼트 구멍은 강철 안전 로프에 연결할 수 있습니다. 스피커는 군중 위의 60 피트 (약 18 미터)로 이중 고정 될 수 있습니다.

        감소 된 생크 T- 볼트는 포뮬러 원 경주 용 자동차의 서스펜션 시스템에 사용됩니다. 경주 용 자동차는 일반적으로 레이스 중간에 포크 암을 바꿔야합니다. 볼트 핸들은 무게를 줄일 수 있습니다. 구멍 와이어에는 빠른 방출 핀이 장착 될 수 있습니다. 폐쇄 된 사이트의 규칙에 따르면 직원은 5 초 이내에 부품을 교체 할 수 있습니다.

        홀 디자인의 감소 된 Shank T Bolt가 가장 두드러진 기능입니다. 작은 기계 장비를 제조 할 때 작은 장비의 내부 공간은 작고 보통 볼트가 너무 두껍습니다. 그러나 퇴치로드 부품은 연결 강도에 영향을 미치지 않고 좁은 설치 구멍을 쉽게 통과 할 수있어 장비의 다양한 구성 요소를 함께 조립하고 장비의 정상적인 작동을 보장 할 수 있습니다.

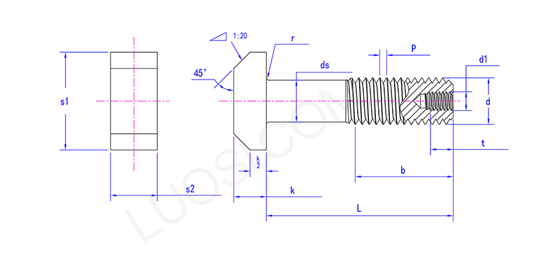
        매개 변수 :

        M42 M48 M56 M64 M72 M80 M90 M100
        P 4.5 5 5.5 6 6 6 6 6
        D1 M12 M12 M16 M16 M16 M20 M20 M20
        t 22 22 26 26 26 33 33 33
        k 26 30 35 40 45 50 55 62
        S2 42 48 56 64 72 80 90 100
        S1 80 88 102 115 128 140 155 170
        r 2 2 3 3 4 4 4 5
        DS Max 34 38 45 50 55 65 70 80
        DS MIN 33 37 44 49 53.8 63.8 66.8 78.8




        핫 태그: 구멍, 중국, 제조업체, 공급 업체, 공장으로 인한 생크 T 볼트 감소
        관련 카테고리
        문의 보내기
        문의사항은 아래 양식으로 부담없이 보내주세요. 24시간 이내에 회신해 드리겠습니다.
        X
        당사는 귀하에게 더 나은 탐색 경험을 제공하고, 사이트 트래픽을 분석하고, 콘텐츠를 개인화하기 위해 쿠키를 사용합니다. 이 사이트를 이용함으로써 귀하는 당사의 쿠키 사용에 동의하게 됩니다. 개인 정보 보호 정책
        거부하다 수용하다