> 제품 > 너트 > 손 나사 너트 > 하이 헤드 널링 너트
        하이 헤드 널링 너트
        • 하이 헤드 널링 너트하이 헤드 널링 너트
        • 하이 헤드 널링 너트하이 헤드 널링 너트

        하이 헤드 널링 너트

        모션 제어의 미래를 통합하십시오. XIAO GUO의 최신 하이 헤드 널링 너트는 더 조용한 작동과 더 빠른 속도를 위해 최적화된 볼 순환을 특징으로 합니다. 차세대 기계를 위한 멋진 하이 헤드 널링 너트 선택입니다.

        문의 보내기

        제품 설명

        하이 헤드 널링 너트의 배송비는 주문 크기와 배송 주소에 따라 다릅니다. 소규모 주문의 경우 일반적으로 배송비가 더 높습니다. 샘플 배치나 5000개 미만의 소량 주문의 경우 DHL이나 FedEx와 같은 택배사를 이용합니다. 가격은 보통 $25~$90이며, 배송은 3~7일이 소요됩니다. 우편은 저렴하지만 속도가 느리며 약 10~18일 정도 소요됩니다.

        10,000개 이상의 대량 주문은 해상 또는 항공 화물을 이용하는 것이 좋습니다. 해상 화물은 입방미터당 $350-$900의 비용으로 더 비용 효율적이지만 20-35일이 소요됩니다. 항공 화물은 더 빠르지만(5-10일) 더 비싸며 킬로그램당 약 $6-$9입니다. 운송 중 손상을 방지하기 위해 적절하게 포장하겠습니다.

        주문 수량과 목적지를 알려주시면 정확한 견적을 드릴 수 있습니다. 숨겨진 수수료가 없습니다. 실제 배송비만 지불하시면 됩니다. 하이 헤드 널링 너트의 배송 옵션은 소규모 샘플과 대량 구매 모두에 적합하며 다양한 예산 및 시간 요구 사항에 적합합니다.

        제품 외관 특성

        전체적으로 단순한 원통형 모양을 갖고 있으며, 추가적인 디자인 요소는 없습니다. 외부 표면이 매끄러워서 설치 중에 미리 뚫은 구멍에 쉽게 들어갈 수 있습니다. 한쪽 끝 부분에는 작은 플랜지가 있어 일단 눌러지면 판금 사이로 미끄러지는 것을 방지합니다.

        내부 부분에는 일반적인 볼트 크기와 일치하는 나사산이 균일하게 있습니다. 나사산은 너무 날카롭지 않고 볼트로 부드럽게 끼워지기 딱 좋습니다. 다른 쪽 끝은 편평하므로 설치 후 판금과 같은 높이로 놓여 부품이 튀어나오지 않습니다.

        크기가 작아서 얇은 판금 요구 사항에 적합합니다. 표면은 아연 도금이나 패시베이션과 같은 기본 코팅만 있고 추가 색상이나 장식은 없습니다. 높은 머리 널링 너트의 모양은 실용성을 고려하여 판금 조립 작업 시 설치 및 작업이 용이합니다.

        High Head Knurled Nuts

        Q&A 세션

        Q:표준이 아닌 크기로 맞춤 설정할 수 있나요?

        A: 그렇습니다. 우리는 비표준 스레드 크기 또는 외경에 대한 맞춤 주문을 받아들입니다. 자세한 크기 요구 사항과 예상 주문 수량을 보내주시면 됩니다. 주문제작 상품의 제작기간은 약 15~20일 정도 소요되며, 일반 상품보다 다소 긴 시간입니다. 수량이 50,000개 이상인 경우 추가 금형비가 없습니다. 대량 생산 전 확인을 위해 먼저 샘플을 보내드립니다.  


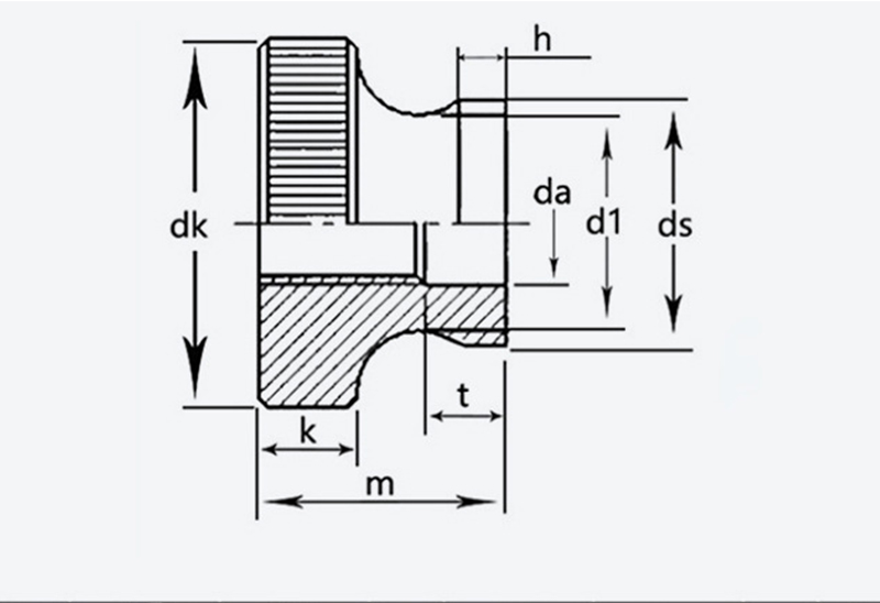
        크기 정점 외경 k DS d1 T h
        최대 최대 최대 최대 최대
        M3 0.5  11  10.7  6.64  2.8  5.7  3.5  3.2  5.2  1.2 
        M4 0.7  12  11.7  7.64  7.64  4.5  4.2  6.4  2.5  1.5 
        M5 0.8  16  15.7  10  96.6  10  9.64  5.5  5.5 
        M6 20  19.7  12  11.6  12  11.6  6.56  6.2  11  2.5 
        M8 1.25  24  23.7  16  15.6  16  15.6  8.86  8.5  13 
        M10 1.5 30 29.7 20 19.5 8 20 19.5 10.9 10.5 17.2 6.5 3.8
        핫 태그: 하이 헤드 널링 너트, 중국, 제조업체, 공급업체, 공장
        관련 카테고리
        문의 보내기
        문의사항은 아래 양식으로 부담없이 보내주세요. 24시간 이내에 회신해 드리겠습니다.
        X
        당사는 귀하에게 더 나은 탐색 경험을 제공하고, 사이트 트래픽을 분석하고, 콘텐츠를 개인화하기 위해 쿠키를 사용합니다. 이 사이트를 이용함으로써 귀하는 당사의 쿠키 사용에 동의하게 됩니다. 개인 정보 보호 정책
        거부하다 수용하다