> 제품 > 볼트 > 사각 머리 볼트 > 높은 정밀 메트릭 정사각형 헤드 볼트
      높은 정밀 메트릭 정사각형 헤드 볼트
      • 높은 정밀 메트릭 정사각형 헤드 볼트높은 정밀 메트릭 정사각형 헤드 볼트
      • 높은 정밀 메트릭 정사각형 헤드 볼트높은 정밀 메트릭 정사각형 헤드 볼트
      • 높은 정밀 메트릭 정사각형 헤드 볼트높은 정밀 메트릭 정사각형 헤드 볼트
      • 높은 정밀 메트릭 정사각형 헤드 볼트높은 정밀 메트릭 정사각형 헤드 볼트
      • 높은 정밀 메트릭 정사각형 헤드 볼트높은 정밀 메트릭 정사각형 헤드 볼트

      높은 정밀 메트릭 정사각형 헤드 볼트

      높은 정밀 메트릭 정사각형 헤드 볼트는 수동 도구 참여를 위해 특별히 설계되었으며 눈에 띄는 정사각형 헤드 지오메트리로 쉽게 식별 할 수 있습니다. Xiaoguo®는 패스너의 전용 공급 업체로서 다른 유형의 패스너와 함께 이러한 고품질 볼트의 대량 주문에 대한 경쟁력있는 가격을 제공합니다.
      모델:GB/T 8-2021

      문의 보내기

      제품 설명

      장기간, 특히 중요한 장소 나 개방 된 곳에서 장기적으로 유지하려면 정밀 정밀 메트릭 사각형 헤드 볼트를 정기적으로 확인하는 것이 중요합니다. 녹, 손상된 실, 스트레칭 또는 머리가 구부러진 경우를 찾으십시오.

      당신이 그들을 넣을 때 그들에게 약간의 윤활유를두면 압축을 제대로 얻고 나중에 녹슬지 못하게 할 수 있습니다. 카본 스틸 볼트의 경우 : 표면 코팅에서 손상이 발견되면 가능한 한 많은 코팅의 무결성을 복원하고 기본 재료와 녹의 노출을 피하기 위해 수리 조치를 우선 순위로 취해야합니다. 볼트가 실제로 녹슬거나 손상되거나 너무 많이 늘어나면 바로 교체하십시오.

      녹이기 쉬운 장소의 경우 녹슬기 쉽지 않은 재료 인 스테인리스 스틸을 사용하면 유지 보수 문제를 해결할 필요가 없습니다.

      제품 혜택

      높은 정밀 메트릭 정사각형 헤드 볼트는 특정 특성이 중요한 지점에서 유용합니다. 렌치가 더 잘 잡히거나, 더 낮게 앉거나, 오래된 디자인과 일치하거나, ​​단단한 공간에서 작동합니다. 그러나 육각 볼트는 현대적인 설정에서 더 일반적입니다. 그러나 메트릭 스퀘어 헤드 볼트는 많이 조여야 할 때 잘 견디고 오래된 디자인으로 작업하며 목재 구조에 좋습니다. 그들은 여전히 ​​메트릭 패스너들 사이에서 중요하고 전문화 된 옵션으로, 모양이 가장 잘 작동하는 상황에서는 관련이 있습니다.

      FAQ

      Q : 특히 8.8 학년 이상에 대해 높은 정밀 메트릭 정사각형 헤드 볼트에 대한 자료 인증 (예 : Mill Test Certificate)을 제공 할 수 있습니까?

      A : 물론. MTC (Mill Test Certificates) 또는 COC (Certormance of Conformance)와 같은 고정밀 메트릭 정사각형 헤드 볼트에 대한 전체 재료 문서를 제공합니다. 이것은 8.8, 10.9 및 스테인레스 스틸과 같은 고급 등급의 경우 특히 그렇습니다. 이 추적 용지는 우리가 공급하는 메트릭 정사각형 헤드 볼트의 화학적 메이크업 및 기계적 특성을 보여줍니다.

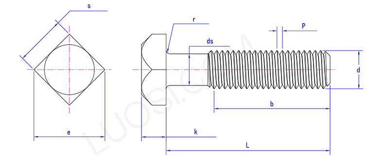
      제품 매개 변수

      M14 M16 M18 M20 M22 M24 M27 M30 M36 M42 M48
      P 2 2 2.5 2.5 2.5 3 3 3.5 4 4.5 5
      DS MIN 12.70 14.70 16.38 18.38 20.38 22.05 25.05 27.73 33.40 39.08 44.75
      DS Max 14 16 18 20 22 24 27 30 36 42 48
      E 분 26.21 30.11 34.01 37.91 42.9 45.5 52 58.5 69.94 82.03 95.03
      K 분 8.55 9.25 11.1 12.1 13.1 14.1 16.1 17.95 21.95 24.95 28.95
      K Max 9.45 10.75 12.9 13.9 14.9 15.9 17.9 20.05 24.05 27.05 31.05
      R 분 0.6 0.6 0.8 0.8 0.8 0.8 1 1 1 1.2 1.6
      S MAX 21 24 27 30 34 36 41 46 55 65 75
      S 분 20.16 23.16 26.16 29.16 33 35 40 45 53.8 63.1 73.1
      핫 태그: 고정밀 메트릭 스퀘어 헤드 볼트, 중국, 제조업체, 공급 업체, 공장
      관련 카테고리
      문의 보내기
      문의사항은 아래 양식으로 부담없이 보내주세요. 24시간 이내에 회신해 드리겠습니다.
      X
      We use cookies to offer you a better browsing experience, analyze site traffic and personalize content. By using this site, you agree to our use of cookies. Privacy Policy
      Reject Accept