> 제품 > 너트 > 손 나사 너트 > 칼라 롤링 너트가 있는 원형 손잡이
      칼라 롤링 너트가 있는 원형 손잡이
      • 칼라 롤링 너트가 있는 원형 손잡이칼라 롤링 너트가 있는 원형 손잡이
      • 칼라 롤링 너트가 있는 원형 손잡이칼라 롤링 너트가 있는 원형 손잡이

      칼라 롤링 너트가 있는 원형 손잡이

      정밀한 선형 운동을 위해서는 XIAO GUO의 칼라 롤링 너트가 있는 고급 원형 손잡이를 선택하십시오. 볼 스크류용으로 설계되어 부드럽고 고효율의 움직임을 보장하므로 당사는 CNC 및 자동화 시스템용 칼라 롤링 너트 공급업체가 있는 신뢰할 수 있는 중국 원형 손잡이가 되었습니다.

      문의 보내기

      제품 설명

      먼저, 칼라 롤링 너트의 크기에 맞춰 둥근 손잡이에 맞는 판금에 구멍을 뚫습니다. 구멍을 너무 크게 만들지 마십시오. 그렇지 않으면 제대로 잠기지 않습니다. 구멍에 남아 있는 금속 부스러기를 모두 제거하십시오. 설치에 방해가 될 수 있습니다.

      그런 다음 너트를 미리 뚫은 구멍에 넣고 시트에 평평하게 놓이도록 합니다. 너트 상단에 맞는 다이가 있는 표준 프레스 도구를 사용하십시오. 도구에 꾸준하고 균일한 압력을 가하면 도구가 제자리에 고정되면 약간의 "딸깍" 소리가 느껴질 것입니다. 1~2초 동안 압력을 유지하여 고정되었는지 확인하세요.

      해머 타격을 사용하지 마십시오. 너트가 구부러지거나 판금이 손상될 수 있습니다. 얇은 판금에서 중간 판금(두께 0.5-2mm)에 가장 잘 작동합니다. 일단 설치되면 너트가 회전하지 않고 원활하게 볼트를 조일 수 있습니다. 칼라 롤링 너트가 있는 둥근 손잡이는 초보자도 사용하기 쉽고 복잡한 기술이 필요하지 않습니다.

      제품 포장

      견과류를 안전하게 보관하기 위해 간단하고 실용적인 포장을 사용합니다. 소량 주문이나 샘플의 경우 투명 비닐봉지에 포장됩니다(보통 가방당 100~200개). 각 가방에는 크기, 재질, 배치 번호가 포함된 기본 라벨이 있어 필요한 것을 쉽게 찾을 수 있습니다.

      대량 주문은 튼튼한 상자에 들어갑니다. 너트 크기에 따라 각 상자에는 5000~10000개를 담을 수 있습니다. 배송 중 긁히거나 흔들리는 것을 방지하기 위해 내부에 폼이나 버블랩을 넣어드립니다. 상자에는 "건조한 상태로 유지" 또는 "무거운 물건을 쌓지 마십시오"와 같은 취급에 대한 명확한 표시가 있습니다.

      가방에 로고를 붙이거나 팩당 특정 수량을 지정하는 등 맞춤형 포장이 필요한 경우 주문 시 알려주시기 바랍니다. 추가로 화려한 물건은 없고 보관 및 배송에 적합한 것만 있으면 됩니다. 대부분의 소규모 작업장, 대규모 공장 또는 DIY 사용자의 요구에 맞는 표준 옵션으로 제공됩니다.

      Round Knobs With Collar Rolling Nut

      Q&A 세션

      칼라 롤링 너트가 있는 원형 손잡이에 적합한 판금 두께는 얼마입니까?  

      A:두께 범위가 0.5mm ~ 2.5mm인 얇은 판금에서 중간 판금에 가장 잘 작동합니다. 너무 두꺼운 금속은 제대로 잠기지 않으며, 너무 얇으면 설치 중에 변형될 수 있습니다. 냉간압연강판, 알루미늄, 스테인리스강판 등 일반적인 소재는 모두 괜찮습니다. 미리 뚫은 구멍 크기가 너트의 외경과 일치하는지 확인하세요. 참조용으로 필요한 경우 크기 차트를 제공할 수 있습니다.  

      Round Knobs With Collar Rolling Nut

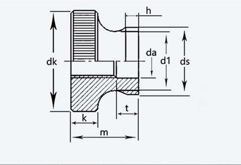
      크기 정점 외경 k DS d1 T h
      최대 최대 최대 최대 최대
      M3 0.5  11  10.7  6.64  2.8  5.7  3.5  3.2  5.2  1.2 
      M4 0.7  12  11.7  7.64  7.64  4.5  4.2  6.4  2.5  1.5 
      M5 0.8  16  15.7  10  96.6  10  9.64  5.5  5.5 
      M6 20  19.7  12  11.6  12  11.6  6.56  6.2  11  2.5 
      M8 1.25  24  23.7  16  15.6  16  15.6  8.86  8.5  13 
      M10 1.5 30 29.7 20 19.5 8 20 19.5 10.9 10.5 17.2 6.5 3.8
      핫 태그: 칼라 롤링 너트가 있는 둥근 손잡이, 중국, 제조업체, 공급업체, 공장
      관련 카테고리
      문의 보내기
      문의사항은 아래 양식으로 부담없이 보내주세요. 24시간 이내에 회신해 드리겠습니다.
      X
      We use cookies to offer you a better browsing experience, analyze site traffic and personalize content. By using this site, you agree to our use of cookies. Privacy Policy
      Reject Accept