고강도면 프로젝션 용접 볼트는 금속 시트 나 구조물에 강력하고 쉽게 연결하도록 만들어진 특별한 종류의 패스너입니다. 금속에 닿는쪽에는 예측 (일반적으로 고리 또는 작은 범프)이 있으며, 이는 정확한 크기로 만들어집니다.
용접하면 많은 전류가 이러한 예측에 중점을 둡니다. 그로 인해 금속이 정말 뜨거워지고 녹아 들어가고 식히면 용접이 강해집니다. 이 용접은 작업중 인 조각에 고강도면 프로젝션 용접 볼트를 단단히 고정시킵니다.
고강도면 프로젝션 용접 볼트의 주요 작업은 무게를 유지할 수있는 영구적 인 스레드 기반 부착 지점을 만드는 것입니다. 그것을 용접하려면 특별한 프로젝션 용접 장비가 필요합니다.
전극은 볼트의 예측과 함께 작업하는 금속 조각을 통해 아래로 눌러 많은 전기를 보냅니다. 용접 볼트가 만들어지는 방식은 투영이 녹는 것을 의미합니다. 그들이 식을 때, 그들은 강한 금속 결합을 형성하고 주변의 금속은 구부러 지거나 뒤틀리지 않습니다.
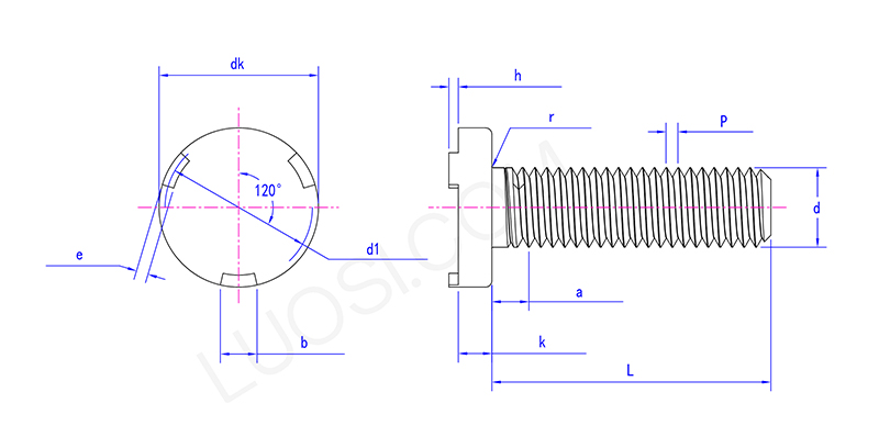
| 몬 | M5 | M6 | M8 | M10 |
| P | 0.8 | 1 | 1.25 | 5 |
| DK Max | 12.4 | 14.4 | 16.4 | 20.4 |
| DK MIN | 11.6 | 13.6 | 15.6 | 19.6 |
| K Max | 2 | 2.2 | 3.2 | 4.2 |
| K 분 | 1.6 | 1.8 | 3.2 | 4.2 |
| 그리고 맥스 | 2.25 | 2.75 | 2.25 | 2.75 |
| E 분 | 1.75 | 2.25 | 1.75 | 2.25 |
| b 맥스 | 3.3 | 4.3 | 5.3 | 6.3 |
| B 분 | 2.7 | 3.7 | 4.7 | 5.7 |
| H Max | 0.8 | 0.9 | 1.1 | 1.3 |
| H 분 | 0.6 | 0.75 | 0.9 | 1.1 |
| D1 Max | 10 | 11.5 | 14 | 17.5 |
| D1 분 | 9 | 10.5 | 13 | 16.5 |
| R 분 | 0.2 | 0.25 | 0.4 | 0.4 |
| r 최대 | 0.6 | 0.7 | 0.9 | 1.2 |
| 최대 | 3.2 | 4 | 5 | 5 |

고강도면 프로젝션 용접 볼트에는 용접되는 측면에 부품이 거의 없습니다. 용접하면 많은 전기가 발생한 부품에 중점을 둡니다. 그들은 기본 금속에 대해 즉시 녹이고 전극이 아래로 눌렀습니다.
이것은 볼트를 잘 고정시키는 강력하고 단단한 용접을 만듭니다. 그들은 판금 작업에 적합합니다.