> 제품 > 너트 > 둥근 너트 > 완전 나사형 슬롯형 원형 너트
        완전 나사형 슬롯형 원형 너트
        • 완전 나사형 슬롯형 원형 너트완전 나사형 슬롯형 원형 너트
        • 완전 나사형 슬롯형 원형 너트완전 나사형 슬롯형 원형 너트

        완전 나사형 슬롯형 원형 너트

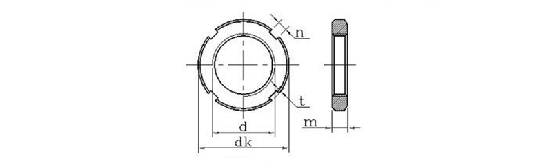
        완전 나사형 슬롯형 원형 너트는 핀 스패너와 함께 사용할 수 있도록 외부 가장자리에 노치가 있도록 설계되었습니다. 요즘에는 비용 효율적이고 안정적이고 신뢰할 수 있는 공급이 가능하기 때문에 많은 고객이 중국 XIAOGUO에서 이러한 제품을 구매하고 있습니다.

        문의 보내기

        제품 설명

        제품 사용 지침

        완전 나사형 슬롯형 원형 너트 - DIN 546과 같은 표준에 따라 정의되며 주로 안전한 고정 연결을 달성하는 데 사용되며 진동을 견딜 수 있습니다. 이 너트의 주요 특징은 너트 한쪽 끝에 있는 슬롯에 있습니다. 사용 방법은 다음과 같습니다. 먼저 너트를 미리 뚫은 볼트나 스터드에 나사로 고정하고 원하는 위치에 조입니다. 조인 후 슬롯을 볼트 샤프트의 구멍에 맞춥니다. 마지막으로 정렬된 슬롯과 볼트 구멍을 통해 열린 핀(잠금 와셔) 또는 안전선을 삽입한 다음 핀 끝을 구부려 단단히 고정되도록 합니다. 따라서 진동이 있어도 너트가 풀리지 않습니다.

        제품 포장

        조사 결과를 바탕으로 당사는 산업용 응용 분야에 매우 적합한 다양한 완전 나사형 슬롯형 원형 너트를 제공합니다. 가방이나 상자에 포장하는 것이 일반적이고 실용적인 방법입니다. 각 봉지에는 일반적으로 봉지당 100개와 같이 특정 수의 견과류가 들어 있습니다. 이 가방 형태는 작업장이나 조립 라인에서의 운송, 재고 계산 및 배포에 편리합니다. 포장은 일반적으로 투명하거나 라벨이 있어 견과류의 종류와 크기를 빠르게 식별할 수 있습니다. 귀하가 제조업체이거나 대규모 구매자인 경우, 당사는 더 많은 양의 상자 포장을 제공하거나 귀하의 요구 사항에 따라 포장을 맞춤화할 수도 있습니다. 이는 비용을 절감하고 프로젝트 공급망을 보다 원활하게 운영하는 데 도움이 됩니다.

        Q&A 세션

        완전 나사형 슬롯형 원형 너트는 일반적으로 어떤 재료로 만들어지나요?

        A: 우리는 일반적으로 일반 용도로 탄소강으로 너트를 만듭니다. 녹에 강한 제품이 필요한 경우 스테인리스강 옵션(304 및 316등급)도 있고, 비자성 용도를 위한 황동 제품도 있습니다. 귀하의 환경과 기계적 요구 사항이 구체적으로 무엇인지에 따라 너트의 재료를 선택하십시오.

        Fully Threaded Slotted Round Nuts


        단위 : mm
        d*P dk m n t 철강제품 1,000개당 품질≥kz d*P dk m n t 철강제품 1,000개당 품질≥kg
        최대 최대 최대 최대
        M10*1 22 8 4.3 4 2.6 2 16.82 M64*2 95 12 8.36 8 4.25 3.5 351.9
        M12*1.25 25 21.58 M65*2 95 342.4
        M14*1.5 28 26.82 M68*2 100 10.36 10 4.75 4 380.2
        M16*1.5 30 5.3 5 3.1 2.5 28.44 M72*2 105 15 518
        M18*1.5 32 31.19 M75*2 105 477.5
        M20*1.5 35 37.31 M76*2 110 562.4
        M22*1.5 38 10 54.91 M80*2 115 608.4
        M24*1.5 42 68.88 M85*2 120 640.6
        M25*1.5 42 68.88 M90*2 125 18 12.43 12 5.75 5 796.1
        M27*1.5 45 75.49 M95*2 130 834.7
        M30*1.5 48 82.11 M100*2 135 873.3
        M33*1.5 52 6.3 6 3.6 3 93.32 M105*2 140 895
        M35*1.5 52 84.99 M110*2 150 14.43 14 6.75 6 1076
        M36*1.5 55 100.3 M115*2 155 22 1369
        M39*1.5 58 107.3 M120*2 160 1423
        M40*1.5 58 109.5 M125*2 165 1477
        M42*1.5 62 121.8 M130*2 170 1531
        M45*1.5 68 153.6 M140*2 180 26 1937
        M48*1.5 72 12 8.36 8 4.25 3.5 201.2 M150*2 200 16.43 16 7.9 7 2651
        M50*1.5 72 186.8 M160*3 210 2810
        M52*1.5 78 238 M170*3 220 2970
        M55*2 78 214.4 M180*3 230 30 3610
        M56*2 85 290.1 M190*3 240 3794
        M60*2 90 320.3 M200*3 250 3978





        핫 태그: 완전 나사형 슬롯형 원형 너트, 중국, 제조업체, 공급업체, 공장
        관련 카테고리
        문의 보내기
        문의사항은 아래 양식으로 부담없이 보내주세요. 24시간 이내에 회신해 드리겠습니다.
        X
        당사는 귀하에게 더 나은 탐색 경험을 제공하고, 사이트 트래픽을 분석하고, 콘텐츠를 개인화하기 위해 쿠키를 사용합니다. 이 사이트를 이용함으로써 귀하는 당사의 쿠키 사용에 동의하게 됩니다. 개인 정보 보호 정책
        거부하다 수용하다