따라서 Lift Assured Eye 볼트를 살펴보면 몇 가지 일반적인 재료로 제공되며 올바른 재료를 선택하는 것은 실제로 특정 작업에 따라 다릅니다. 가장 일반적으로 볼 수 있는 유형은 탄소강입니다. 특별한 조건을 수반하지 않는 일상적인 리프팅 작업에 대한 일반적인 선택입니다. 녹을 방지하기 위해 이러한 탄소강 볼트에는 일반적으로 아연 도금이 되어 있어 은빛이고 약간 빛나는 느낌을 줍니다.
다음은 스테인레스 스틸입니다. 바다 근처나 화학 공장처럼 젖거나 부식될 수 있는 장소에서 작업하는 경우 이 방법을 사용하는 것이 좋습니다. 가장 일반적인 등급은 304와 316이며, 316은 정말 가혹한 설정에 좀 더 내구성이 있습니다. 반면에 매우 무거운 짐을 들어올리는 경우에는 단조 합금강 아이 볼트를 사용해야 합니다. 이 소재는 훨씬 더 높은 강도 요구 사항을 처리하도록 특별히 제작되었으므로 표준 탄소강보다 훨씬 더 튼튼합니다.
Lift Assured Eye 볼트를 구입하면 마감 처리가 다른 경우가 종종 있음을 알 수 있습니다. 이것은 단지 외모만을 위한 것이 아닙니다. 이러한 표면 처리는 실제로 볼트의 수명을 연장하고 녹을 방지하는 데 있어 안전과 내구성에 매우 중요합니다.

여러분이 보게 될 실제 일반적인 방법은 전기 도금입니다. 이것은 강철 위에 아연이나 니켈과 같은 얇은 층을 놓는 곳입니다. 부식에 대한 적절한 기본 보호 기능을 제공하고 볼트를 좀 더 밝게 보이게 합니다. 그러나 건설 현장의 야외나 습한 해양 지역과 같이 혹독한 환경에 대해 더 견고한 것이 필요한 경우 용융 아연 도금 아이 볼트를 찾고 싶을 것입니다. 이 프로세스는 훨씬 더 견고하고 시간이 지남에 따라 훨씬 더 많은 남용을 처리할 수 있는 훨씬 더 두꺼운 코팅을 생성합니다.
다른 옵션도 있습니다. 예를 들어, 흑색 산화물은 볼트를 어둡고 반사되지 않는 마감 처리로 남겨두는 처리입니다. 이는 약간의 녹 방지 기능을 제공하지만 외관과 빛의 눈부심을 줄이기 위해 더 많이 선택되는 경우가 많습니다. 그리고 스테인레스 스틸 볼트의 경우 패시베이션이라는 공정을 사용하는 경우가 많습니다. 복잡하게 들릴 수도 있지만 기본적으로 이는 스테인레스 스틸의 천연 보호층을 청소하고 강화하여 녹에 대한 저항력을 높이는 데 도움이 되는 화학 용액입니다.
질문: Lift Assured 아이 볼트에는 인증이 포함되어 있습니까? 예, Lift-Assured 아이 볼트에 대한 테스트 인증서를 제공해 드릴 수 있습니다. 이는 아이볼트가 ASME B18.15와 같은 표준을 충족함을 증명하고, 아이볼트의 재질과 기계적 특성을 확인합니다.
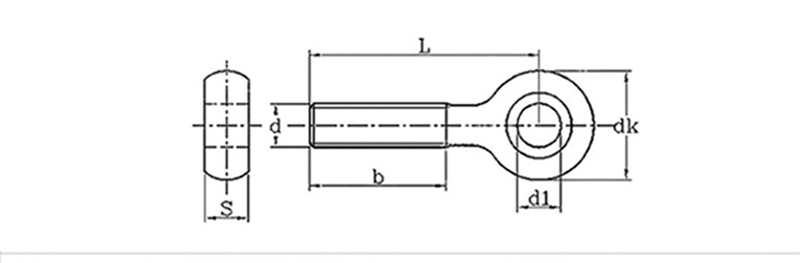
|
mm |
|||
|
나사 직경 |
d1 |
dk |
s |
|
M6 |
5 |
10.5 |
5.4 |
|
M8 |
6 | 13 | 7 |
|
M10 |
8 | 16 | 8.5 |
|
M12 |
10 | 19 | 10.5 |