에 대한볼트 고정 기능이 있는 잠금 칼라, 필요한 것에 따라 재료를 선택할 수 있습니다. 탄소강(예: SAE 1070/1095)은 거친 작업에 강한 재료가 필요할 때 사용됩니다. 스테인레스 스틸(AISI 304/316)은 녹이 슬거나 부식될 수 있는 장소에 적합합니다. 티타늄 합금은 가볍지만 강해야 하는 항공우주 분야에 적합합니다. 매우 덥거나 매우 추운 극단적인 온도 상황을 위한 Inconel®과 같은 특수 제품도 있습니다.
그들은 각 재료를 주의 깊게 테스트하여 재료가 부서지지 않고 얼마나 늘어날 수 있는지(최대 1500 MPa), 시간이 지남에 따라 얼마나 마모될 수 있는지 확인합니다. 재료가 다양하다는 것은 이 고정 링이 매우 추운 장소부터 고열 공장에 이르기까지 다양한 환경에서 작동할 수 있음을 의미합니다.
돌보는볼트 고정 기능이 있는 잠금 칼라볼트 견고성, 표면 마모 또는 녹을 정기적으로 점검하는 것을 의미합니다. 유지보수 중에는 제조업체가 권장하는 토크(보통 20-50Nm)로 볼트를 조이십시오. 순한 세제를 사용하여 잔해물을 닦아내고 나사산에 고착 방지 그리스를 바르면 나중에 쉽게 분해할 수 있습니다. 균열이 보이거나 링의 모양이 변형된 경우 교체하십시오. 링을 설치하기 전에 링이 손상되지 않도록 온도가 조절된 건조한 곳에 보관하십시오. 이 루틴을 따라가면 최고의 성능을 발휘하는 데 도움이 되며 최대 30% 더 오래 지속될 수 있습니다.

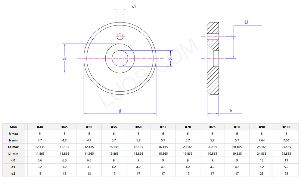
Q: 올바른 크기를 어떻게 결정합니까?볼트 고정 기능이 있는 잠금 칼라내 샤프트 직경은?
A: 옳은 선택볼트 고정 기능이 있는 잠금 칼라샤프트의 두께(OD)와 스레드 유형에 따라 다릅니다. 먼저 샤프트의 두께를 측정하고 제조업체의 크기 가이드와 비교하십시오. 주목해야 할 주요 사항: 칼라의 내부 크기는 샤프트의 나사산, 볼트 크기 및 칼라의 두께와 일치해야 합니다. 샤프트에 나사산이 없으면 먼저 나사산을 추가해야 합니다. 스레드가 미터식인지 영국식인지 항상 다시 확인하세요. 스레드를 혼합하면 두통이 발생합니다. 이상한 크기의 샤프트의 경우 맞춤형 칼라가 있지만 추가 시간과 비용이 소요됩니다.
당사의 볼트 고정 잠금 칼라는 주로 탄소강으로 만들어집니다. 우리가 이 소재를 선택한 이유는 이 소재가 우수한 인성과 내마모성을 갖고 있어 제품의 기본 사용 요구 사항을 충족할 수 있기 때문입니다.
제품이 공장에서 출고되기 전에 표면에 방청층을 코팅합니다. 이 처리를 하면 습한 환경에서 사용하거나 장기간 보관할 때 칼라가 녹슬지 않게 됩니다.
또한 더 나은 내식성을 원하는 고객을 위해 스테인레스 스틸과 같은 옵션 재료도 있습니다. 제품의 재료 두께는 표준 하중 지지 요구 사항을 기준으로 설계되었으므로 정상적인 사용 중에 변형되거나 파손되지 않습니다.
볼트부분은 칼라와 동일한 재질로 되어있어 제품 전체가 일관된 성능과 안정성을 가지고 있습니다.
볼트 고정식 잠금 칼라의 배송비는 발송 장소, 선택한 배송 방법, 주문 수량에 따라 다릅니다.
표준 물류를 이용하면 비용은 더 저렴하지만 배송에 시간이 조금 더 걸립니다(보통 영업일 기준 3~7일). 급하게 주문하는 경우 특급 배송을 선택할 수 있지만 비용이 더 많이 듭니다. 정확한 추가 비용은 배송이 얼마나 멀리 가야 하는지에 따라 달라집니다.
귀하의 주문이 특정 수량에 도달하면 당사에서 배송비를 부담해 드립니다. 각 제품은 작고 가볍기 때문에 소량 주문에도 배송비가 많이 높지 않습니다.
배송하기 전에 배송 중 손상을 방지하기 위해 칼라를 적절하게 포장하겠습니다. 그리고 이 포장 비용은 배송비에 이미 포함되어 있으므로 추가 비용을 지불할 필요가 없습니다.
정확한 배송비를 알고 싶으시면 고객 서비스 팀에 문의하세요. 특정 주문 세부정보를 기반으로 계산됩니다.
Q: 볼트 고정이 포함된 잠금 칼라의 MOQ와 리드 타임은 얼마이며, 대량 주문 할인을 제공합니까?
A: 볼트 고정이 포함된 표준 잠금 칼라의 최소 주문 수량(MOQ)은 300개이며, 일반 주문의 리드 타임은 영업일 기준 7~10일입니다. 5,000개 이상의 대량 주문의 경우 조달 비용을 줄이기 위해 계층별 할인(3%~10% 할인)을 제공합니다. 볼트 고정 기능이 있는 맞춤형 잠금 칼라는 MOQ가 500개이고 샘플 검증 및 생산 일정을 포함하여 영업일 기준 12~18일의 리드 타임이 있습니다.