> 제품 > 너트 > 둥근 너트 > 보안 잠금 슬롯형 잠금 원형 너트
        보안 잠금 슬롯형 잠금 원형 너트
        • 보안 잠금 슬롯형 잠금 원형 너트보안 잠금 슬롯형 잠금 원형 너트
        • 보안 잠금 슬롯형 잠금 원형 너트보안 잠금 슬롯형 잠금 원형 너트
        • 보안 잠금 슬롯형 잠금 원형 너트보안 잠금 슬롯형 잠금 원형 너트
        • 보안 잠금 슬롯형 잠금 원형 너트보안 잠금 슬롯형 잠금 원형 너트
        • 보안 잠금 슬롯형 잠금 원형 너트보안 잠금 슬롯형 잠금 원형 너트

        보안 잠금 슬롯형 잠금 원형 너트

        Secure Locking Slotted Locking Round Nut는 선도적인 패스너 공급업체인 Xiaoguo®가 개발한 혁신적인 패스너 솔루션의 일부이며 진화하는 업계 과제를 해결하기 위해 지속적인 연구 개발을 수행합니다. 이 특수 패스너는 원통형 모양과 상단 부분에 가공된 여러 개의 축 슬롯이 특징입니다.

        문의 보내기

        제품 설명

        가구 조립의 경우, 특히 사무실 의자 및 선반 구성 요소에서 고압을 견디는 부품의 경우 이러한 유형의 보안 잠금 슬롯형 잠금 라운드 너트는 숨겨지고 안전한 고정 방법입니다. 원형 모양은 표면과 같은 높이가 될 수 있으며 슬롯을 사용하여 조정할 수 있습니다.

        우리는 가구 제조업체에게 매우 비용 효율적인 옵션을 제공합니다. 주문수량이 100,000개 이상일 경우 가격할인 혜택을 받으실 수 있습니다. 일반적인 표면 처리에는 아연 도금 또는 검정색이 포함됩니다. 저렴한 비용으로 중앙 집중식 운송 서비스를 제공합니다.

        스레드 무결성 및 잠금 성능에 대한 일괄 테스트를 수행하여 품질을 보장합니다. 따라서 이러한 너트는 사용 중에 신뢰할 수 있습니다.

        강력한 제품과 유리한 가격

        건설 산업에서는 구조용 강철 연결 및 비계에 보안 잠금 슬롯형 잠금 원형 너트를 사용합니다. 안전이 최우선 고려 사항입니다. 이 너트는 일반적으로 직경이 더 크고 고강도 강철로 만들어집니다.

        대규모 프로젝트에 대해서는 독점 할인을 제공합니다. 20,000개 이상 주문 시 10% 가격 할인을 받아 전체 프로젝트 조달 비용을 효과적으로 절감할 수 있습니다. 용융 아연 도금 처리는 내후성 강철의 표준 처리입니다. 건설현장까지 안정적인 배송 서비스를 제공할 수 있습니다.

        우리는 신뢰성의 중요성을 이해하고 있습니다. 따라서 모든 구조용 패스너는 견고한 방수 포장과 함께 제공될 뿐만 아니라 소스로부터 엄격한 ASTM 또는 DIN 표준을 충족하여 일관된 품질을 보장하고 프로젝트에 완벽한 보호 기능을 제공합니다.

        맞춤형 서비스 제공

        우리는 특정 요구 사항에 맞는 맞춤형 보안 잠금 슬롯형 잠금 라운드 너트 솔루션을 전문적으로 생산합니다. 당사는 귀하의 고유한 응용 분야 요구 사항에 맞게 보안 잠금 슬롯형 잠금 원형 너트의 치수, 슬롯 구성 및 재료 사양을 수정할 수 있습니다. 당사의 엔지니어링 팀은 귀하와 협력하여 귀하의 조립 요구 사항에 맞는 완벽한 보안 잠금 슬롯형 잠금 원형 너트 설계를 개발할 것입니다.

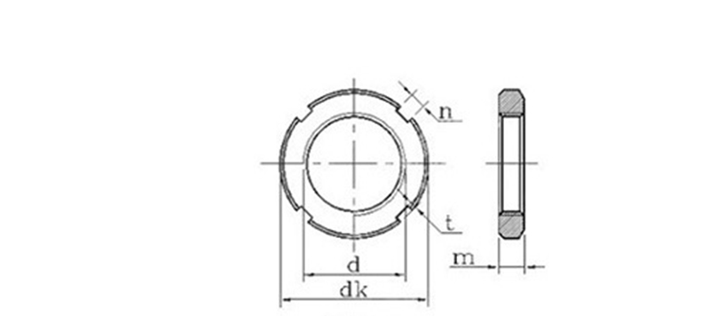
        Secure Locking Slotted Locking Round Nut




        d*P
        dk m n t 1000

        kg

        d*P
        dk m n t 1000

        ≒kg
        낙스 최대 최대 낙스
        M10*1 22 8 4.3 4 2.6 2 16.82 M64*2 95 12 8.36 8 4.25 3.5 351.9
        M12*1.25 25 21.58 M65*2 95 342.4
        M14*1.5 28 26.82 M68*2 100 10.36 10 4.75 4 380.2
        M16*1.5 30 5.3 5 3.1 2.5 28.44 M72*2 105 15 518
        M18*1.5 32 31.19 M75*2 105 477.5
        M20*1.5 35 37.31 M76*2 110 562.4
        M22*1.5 38 10 54.91 M80*2 115 608.4
        M24*1.5 42 68.88 M85*2 120 640.6
        M25*1.5 42 68.88 M90*2 125 18 12.43 12 5.75 5 796.1
        M27*1.5 45 75.49 M95*2 130 834.7
        M30*1.5 48 82.11 M100*2 135 873.3
        M33*1.5 52 6.3 6 3.6 3 93.32 M105*2 140 895
        M35*1.5 52 84.99 M110*2 150 14.43 14 6.75 6 1076
        M36*1.5 55 100.3 115*2 155 22 1369
        M39*1.5 58 107.3 M120*2 160 1423
        M40*1.5 58 109.5 M125*2 165 1477
        M42*1.5 62 121.8 M130*2 170 1531
        M45*1.5 68 153.6 M140*2 180 26 1937
        M48*1.5 72 12 8.36 8 4.25 3.5 201.2 M150*2 200 16.43 16 7.9 7 2651
        M50*1.5 72 186.8 M160*3 210 2810
        M52*1.5 78 238 M170*3 220 2970
        M55*2 78 214.4 M180*3 230 30 3610
        M56*2 85 290.1 190*3 240 3794
        M60*2 90 320.3 M200*3 250 3978

        핫 태그: 보안 잠금 슬롯형 잠금 원형 너트
        관련 카테고리
        문의 보내기
        문의사항은 아래 양식으로 부담없이 보내주세요. 24시간 이내에 회신해 드리겠습니다.
        X
        당사는 귀하에게 더 나은 탐색 경험을 제공하고, 사이트 트래픽을 분석하고, 콘텐츠를 개인화하기 위해 쿠키를 사용합니다. 이 사이트를 이용함으로써 귀하는 당사의 쿠키 사용에 동의하게 됩니다. 개인 정보 보호 정책
        거부하다 수용하다