패스너의 숄더 유형 아이 볼트 등급은 안전한 리프팅에 중요한 강도 및 재료 표준에 따라 정의됩니다. 일반적인 등급에는 탄소강 변형의 경우 4.8, 8.8, 10.9 및 12.9가 포함됩니다. 숫자가 높을수록 인장 강도가 높아집니다. 4.8등급은 가정용 DIY와 같은 가벼운 작업에 적합하고, 8.8등급은 일반 산업 용도에 적합합니다. 고강도 10.9 및 12.9 등급은 건설이나 기계의 무거운 하중을 처리합니다.
스테인리스강 버전은 해양/화학 환경에 대한 내식성을 우선시하는 A4(316) 또는 A2(304) 등급을 따르는 경우가 많습니다. 단조 합금강 등급은 극한의 리프팅에도 탁월한 내구성을 제공합니다. 각 등급에는 하중 등급이 표시되어 있어 의도한 응용 분야와의 호환성 및 안전 규정 준수를 보장합니다.
숄더 타입 아이 볼트의 품질 관리는 안전하고 올바르게 작동하는지 철저한 검사를 수행하는 것을 의미합니다. 이 프로세스에는 일반적으로 재료 등급이 올바른지 확인하고, 스레드가 정확한지 확인하고, WLL(작업 하중 한계)을 확인하기 위해 하중 테스트를 실행하는 작업이 포함됩니다. 또한 치수가 DIN 또는 ISO와 같은 표준과 일치하는지 확인합니다. 모든 아이볼트 배치는 추적 가능해야 하며 사용 방법에 대한 요구 사항을 충족한다는 것을 증명하는 인증을 받게 됩니다.

질문: 숄더형 아이 볼트를 올바르게 설치하려면 어떻게 해야 합니까? 표준 볼트의 경우 탭 구멍에 똑바로 끝까지 조이십시오. 아이 숄더가 표면에 닿는지 확인하십시오. 비스듬히 당기면 안전한 작업 하중이 완전히 줄어들어 위험합니다.

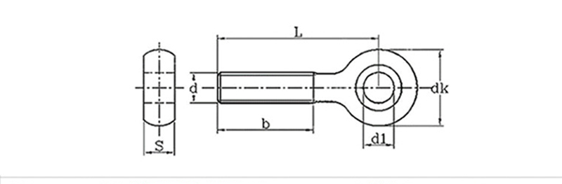
mm
나사 직경
d1
dk
s
M6
5
10.5
5.4
M8
6
13
7
M10
8
16
8.5
M12
10
19
10.5
M14
10
22
12