> 제품 > 용접 너트 > 용접 나사 > 미터법 나사산이 있는 용접 나사
        미터법 나사산이 있는 용접 나사
        • 미터법 나사산이 있는 용접 나사미터법 나사산이 있는 용접 나사
        • 미터법 나사산이 있는 용접 나사미터법 나사산이 있는 용접 나사
        • 미터법 나사산이 있는 용접 나사미터법 나사산이 있는 용접 나사

        미터법 나사산이 있는 용접 나사

        미터법 나사산이 있는 용접 나사는 금속 표면에 용접하는 데 사용되고 미터법 나사산은 다른 구성 요소를 연결하는 데 사용됩니다. Xiaoguo® Company는 재고가 충분한 재고를 보유하고 있습니다. 금속 제조, 자동차 패널 또는 산업용 프레임에 적합합니다.
        모델:DIN 34817-2001

        문의 보내기

        제품 설명


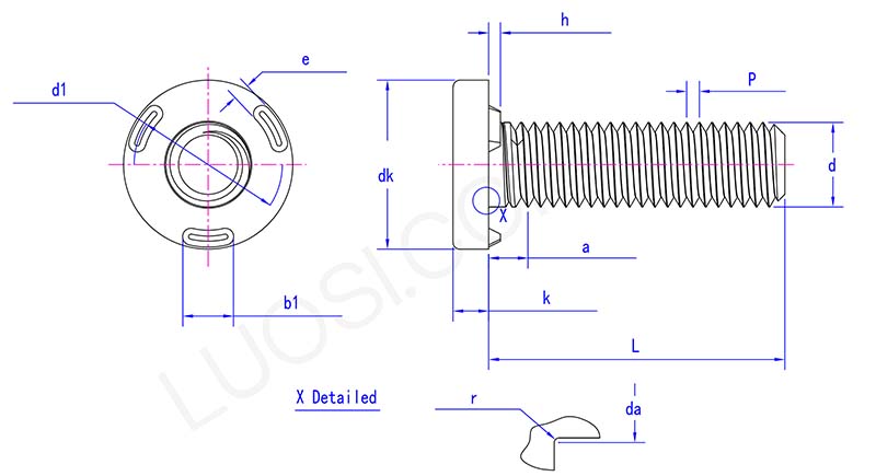
        M5 M6 M8 M10 M12 M14
        P
        0.8 1 1.25 1.5 1.5 1.5
        최대
        2.4 2.8 3.7 4.4 4.6 4.6
        최대 dk
        10 12 16 20 24 28
        최소 dk
        9.64 11.57 15.57 19.48 23.48 27.48
        d1분
        7.85 9.75 13.25 17.15 21.15 25.20
        최대 d1
        8.21 10.11 13.68 17.58 21.67 25.72
        h 최대
        0.8 0.8 1.2 1.4 1.6 1.6
        시간 분
        0.7 0.7 1.1 1.3 1.5 1.5
        k 최대
        2.2 2.7 3.2 4.2 5 5.8
        k 분
        1.8 2.3 2.8 3.8 4.6 5.4
        r 분
        0.1 0.15 0.15 0.15 0.15 0.2
        전자 최대
        1.7 1.7 2.2 2.2 2.2 2.7

        1.3 1.3 1.8 1.8 1.8 2.3
        b1 최대
        3.9 4.4 5.9 7.9 9.4 11.5
        b1분
        3.1 3.6 5.1 7.1 8.6 10.5
        다 맥스
        5.3 6.4 8.4 10.5 13 15

        미터법 나사산이 있는 용접 나사는 용접을 통해 공작물에 고정됩니다. 이 유형의 나사는 머리가 있는 스타일과 머리가 없는 스타일로 제공됩니다. 나사산에 따라 수나사 용접 나사와 내부 나사 용접 나사로 더 분류할 수 있습니다. 사양은 일반적으로 M5에서 M14까지입니다.

        Weld screw with metric thread parameter

        다음에서 사용할 수 있습니다.

        미터법 나사산이 있는 용접 나사는 배기 브래킷을 수리하는 데 사용됩니다. 만약에볼트배기 브래킷의 구멍이 마모된 경우 이를 사용하여 수리할 수 있습니다. 프레임의 점용접 지점을 청소하고 나사를 설치한 다음 와셔의 구멍을 통해 점용접을 수행합니다. 볼트로 브래킷을 조이세요. 3분밖에 걸리지 않으며 다시 드릴링하거나 탭할 필요가 없습니다. 느슨해지지 않고 도로 ​​진동을 견딜 수 있습니다.

        미터법 나사산이 있는 용접 나사는 컨베이어 브래킷을 업그레이드하는 데 사용됩니다. 기존 컨베이어에 센서를 추가해야 하는 경우 이를 사용하여 브래킷을 빠르게 설치할 수 있습니다. M8 나사를 필요한 프레임 가이드 레일에 용접합니다. 주요 구조에 구멍을 뚫을 필요가 없습니다. 센서 브래킷은 볼트로 새 나사산에 직접 고정됩니다. 개조 및 설치 중에 재배선에 필요한 시간을 절약합니다.

        용접 나사는 유압 배관 설치에 사용됩니다. 유압 호스 클램프를 장비에 고정해야 하는 경우 이를 사용하면 흔들림을 방지할 수 있습니다. 18인치마다 프레임을 따라 M6 나사를 용접합니다. 고정 브라켓은 볼트로 나사에 직접 고정됩니다. 판금 나사보다 지속적인 진동을 더 잘 견딜 수 있습니다. 마찰로 인해 호스가 마모되는 것을 방지하십시오.

        제품특징

        미터 나사산 용접 나사의 특징은 용접 고정 방법을 사용한다는 것입니다. 일반적인 기계적 연결과 비교하여 용접은 나사와 모재가 거의 통합된 더 긴밀한 결합을 형성할 수 있습니다. 미터법 나사산의 설계는 내부 나사산이 있는 너트 또는 구성 요소와 편리하게 일치할 수 있어 향후 다른 부품의 설치가 용이합니다. 또한 스레드의 치수 정확도는 미터법 표준을 준수하므로 매우 다양하게 사용할 수 있습니다.

        핫 태그: 미터법 나사산이 있는 용접 나사, 중국, 제조업체, 공급업체, 공장
        관련 카테고리
        문의 보내기
        문의사항은 아래 양식으로 부담없이 보내주세요. 24시간 이내에 회신해 드리겠습니다.
        X
        당사는 귀하에게 더 나은 탐색 경험을 제공하고, 사이트 트래픽을 분석하고, 콘텐츠를 개인화하기 위해 쿠키를 사용합니다. 이 사이트를 이용함으로써 귀하는 당사의 쿠키 사용에 동의하게 됩니다. 개인 정보 보호 정책
        거부하다 수용하다